

定梁龍門加工中心GLUe28×50
定梁龍門加工中心是海天精工在充分發揮自我優勢的基礎上、通過消化吸收國際先進技術,自主開發 研制的工作台移動式定梁龍門加工中心系列産品。具備銑削、镗削、鑽削(鑽、擴、鉸)、攻螺紋、锪削等 多種加工功能。适用于汽車、模具、航空航天、包裝、五金等各種機械加工領域的需求。
服務熱線:021-54799033
詳情
一、 定梁龍門加工中心 GLUe28×50 主要技術描述
定梁龍門加工中心是海天精工在充分發揮自我優勢的基礎上、通過消化吸收國際先進技術,自主開發
研制的工作台移動式定梁龍門加工中心系列産品。具備銑削、镗削、鑽削(鑽、擴、鉸)、攻螺紋、锪削等
多種加工功能。适用于汽車、模具、航空航天、包裝、五金等各種機械加工領域的需求。
主要結構
該機床爲龍門框架固定,工作台移動結構,主要由工作台、床身、立柱、橫梁、滑鞍、滑枕、液壓系統、
潤滑系統、冷卻過濾系統、排屑裝置、旋轉式操作面闆以及電控系統等部件組成。
各坐标軸定義:
X 軸:工作台在床身上做前後縱向運動;
Y 軸:滑枕、滑鞍部件在橫梁上沿導軌作左右橫向運動;
Z 軸:滑枕在滑鞍上沿導軌作上下垂直運動;
床身(X 軸)
床身和工作台材料均選用高強度優質鑄鐵,樹脂砂造型。X軸導軌采用重載導軌支撐結構,各滾柱直線
導軌上根據力學原理合理布局高承重滑塊位置和數量,從而使機床得到高剛性和長久穩定的精度。
傳動系統采用交流伺服電機,通過低背隙減速器後,帶動重載荷滾珠絲杠旋轉,實現 X 軸的直線往複
運動,絲杠支撐采用兩端固定預拉伸結構。
立柱橫梁(Y 軸)
立柱橫梁大件采用高強度優質鑄鐵,樹脂砂造型。
橫梁導軌采用階梯式結構,橫梁截面大,導軌跨距大,主軸中心到 Z 軸導軌面距離短,翻轉力矩小,
結構剛性好。Y 軸導軌選用進口重載導軌支撐,此結構抗震性能好,剛性強,穩定性佳。
傳動系統采用交流伺服電機,通過低背隙減速器、高剛性聯軸器聯接後,帶動重載荷滾珠絲杠旋轉,
實現 Y 軸的直線往複運動,絲杠支撐采用兩端固定預拉伸結構。
2
滑鞍滑枕(Z 軸)
滑鞍、滑枕采用高剛性以及穩定的熱穩定設計技術,采用高強度優質鑄鐵,樹脂砂造型,導軌副采用
四導軌支撐結構,配合大扭矩伺服電機,使滑枕部件慣量減小,動态特性好,啓停反應更快。
Z 軸伺服系統采用交流伺服電機,通過高剛性聯軸器聯接後,直接帶動重載荷滾珠絲杠旋轉,雙缸液壓
平衡,實現 Z 軸的高精度往複運動。
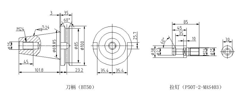
主軸采用優質合金鋼,滲碳淬火,主軸軸承組件選用進口高精密主軸專用成組軸承,并配置主軸恒溫冷
卻系統,通過自動換檔實現高、低兩檔變速,在每檔速度内無級調速。

液壓系統
液壓系統功能包括主軸自動松夾刀、滑枕平衡油缸等,系統采用集成化安裝,保證整機運動的可靠性,
維護保養方便。
潤滑系統
整機的導軌和絲杠均采用加壓式集中定時定量潤滑系統(魯布油脂潤滑),在油路中采用先進的加壓式
計量件進行油量控制;能夠對各潤滑點的供油周期和供油量進行調整,并通過電氣系統控制實現全自動集
中潤滑。主軸軸承和絲杠軸承采用專用锂基潤滑脂潤滑。
冷卻系統
标配刀具冷卻系統。
主軸軸承及主驅動電機均采用油冷卻方式,冷卻效果好,主軸溫度控制準确。
排屑裝置
分布在工作台兩側各一套螺旋排屑器,設備端部設有提升鏈闆式排屑器。
其它配置說明
1、工作區域配照明燈,适應夜間工作。
2、機床配三色燈,提示程序運轉、工作循環完成和故障報警三種信息。
安裝條件
a、溫度
工作環境溫度 17℃~25℃,理想溫差±2℃
若被加工零件的要求不高,環境溫度範圍可放寬到 10℃ - 40℃
b、濕度
連續: 75%以下(不結露) 短時間: 95%以下(不結露)
c、安裝場所條件
1.不受外部振動影響以及電器幹擾。
2.避免陽光直射機床。
3.避免直接觸外界風、氣及調溫的冷、熱風。
4.機床附近避免設置暖氣等熱源。
5.空氣中粉塵濃度不得大于 10mg/m³ ,不得含酸、鹽和其它腐蝕氣體。
6.避免漏水、浸水。
d、電 源:3 相 380V;50Hz±1Hz

三、定梁龍門加工中心 GLUe28×50 主要配置清單
詢價



劉小姐